○宅地造成及び特定盛土等規制法施行細則
令和七年四月四日
徳島県規則第三十九号
宅地造成及び特定盛土等規制法施行細則を次のように定める。
宅地造成及び特定盛土等規制法施行細則
(趣旨)
第一条 宅地造成及び特定盛土等規制法(昭和三十六年法律第百九十一号。以下「法」という。)の施行については、宅地造成及び特定盛土等規制法施行令(昭和三十七年政令第十六号)及び宅地造成及び特定盛土等規制法施行規則(昭和三十七年建設省令第三号。以下「省令」という。)に定めるもののほか、この規則の定めるところによる。
(宅地造成等に関する工事に係る許可申請書に添付する書類)
第二条 省令第七条第一項第十二号及び第二項第十号の規定により工事の安全性を確かめるために特に必要があると認めて規則で定める書類は、次の各号に掲げるものとする。
一 許可を受けようとする者が個人であるときは、申請直前三年の各年における所得税の納税証明書
二 許可を受けようとする者が法人であるときは、申請直前三年の各事業年度における法人税の納税証明書及び事業経歴書
三 工事施行者の登記事項証明書及び工事経歴書並びに工事施行者が建設業法(昭和二十四年法律第百号)第三条第一項の許可を受けていることを証する書類
四 その他知事が必要と認める書類
(宅地造成等に関する工事の着手の届出)
第三条 法第十二条第一項の規定による許可を受けた工事主は、当該許可に係る宅地造成等に関する工事に着手したときは、工事着手届出書(様式第一号)を知事に提出しなければならない。
(宅地造成等に関する工事の軽微な変更の届出)
第四条 法第十六条第二項の規定による宅地造成等に関する工事に係る届出は、工事の軽微な変更届出書(様式第二号)を知事に提出して行わなければならない。
(宅地造成等に関する工事等に係る届出工事等の変更の届出)
第五条 法第二十一条第一項の規定による宅地造成等に関する工事に係る届出をした工事主は、当該届出に係る事項を変更しようとするときは、届出工事の変更届出書(様式第三号)を知事に提出しなければならない。
2 法第二十一条第三項の規定による擁壁等に関する工事等に係る届出をした者は、当該届出に係る事項を変更しようとするときは、届出工事等の変更届出書(様式第四号)を知事に提出しなければならない。
(宅地造成等に関する工事等の中止等の届出)
第六条 法第十二条第一項の規定による許可を受けた工事主又は法第二十一条第一項の規定による届出をした工事主若しくは同条第三項の規定による届出をした者は、工事を中止し、若しくは再開し、又は廃止しようとするときは、工事の中止・再開・廃止届出書(様式第五号)を知事に提出しなければならない。
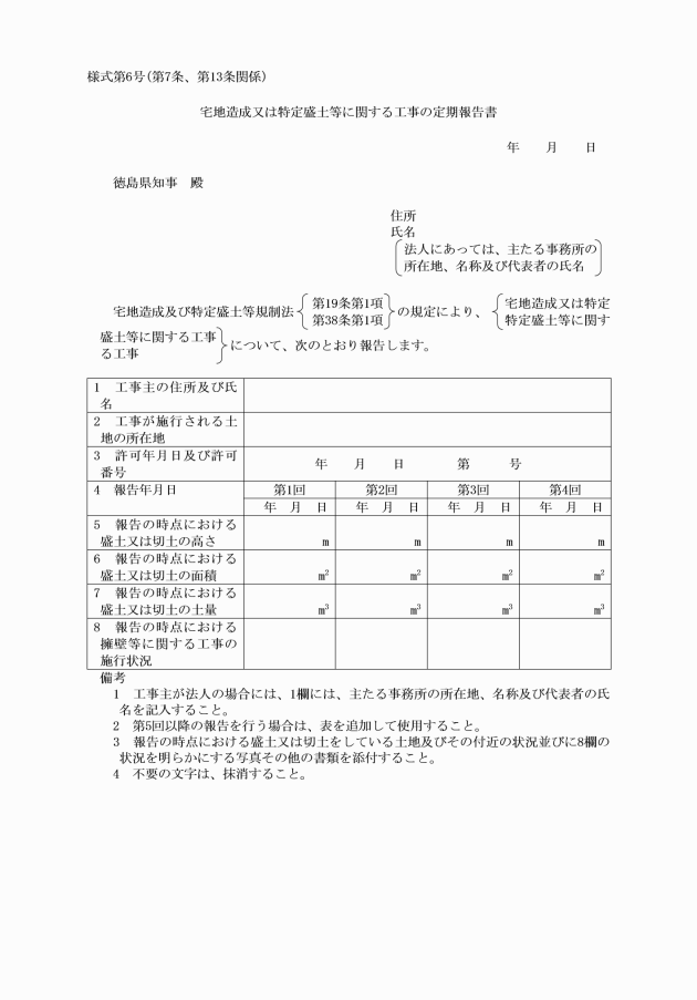
(宅地造成等に関する工事の定期の報告)
第七条 法第十九条第一項の規定による宅地造成又は特定盛土等に関する工事に係る報告は、宅地造成又は特定盛土等に関する工事の定期報告書(様式第六号)を知事に提出して行わなければならない。
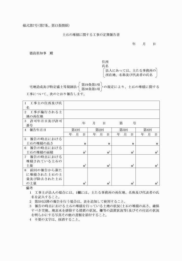
2 法第十九条第一項の規定による土石の堆積に関する工事に係る報告は、土石の堆積に関する工事の定期報告書(様式第七号)を知事に提出して行わなければならない。
(特定盛土等又は土石の堆積に関する工事に係る許可申請書に添付する書類)
第八条 省令第六十三条第一項第二号及び第二項第二号の規定により工事の安全性を確かめるために特に必要があると認めて規則で定める書類は、第二条各号に掲げる書類とする。
(特定盛土等又は土石の堆積に関する工事の着手の届出)
第九条 法第三十条第一項の規定による許可を受けた工事主は、当該許可に係る特定盛土等又は土石の堆積に関する工事に着手したときは、工事着手届出書を知事に提出しなければならない。
(特定盛土等又は土石の堆積に関する工事の軽微な変更の届出)
第十条 法第三十五条第二項の規定による特定盛土等又は土石の堆積に関する工事に係る届出は、工事の軽微な変更届出書を知事に提出して行わなければならない。
(特定盛土等又は土石の堆積に関する工事等に係る届出工事等の変更の届出)
第十一条 法第四十条第一項の規定による特定盛土等又は土石の堆積に関する工事に係る届出をした工事主は、当該届出に係る事項を変更しようとするときは、届出工事の変更届出書を知事に提出しなければならない。
2 法第四十条第三項の規定による擁壁等に関する工事等に係る届出をした者は、当該届出に係る事項を変更しようとするときは、届出工事等の変更届出書を知事に提出しなければならない。
(特定盛土等又は土石の堆積に関する工事等の中止等の届出)
第十二条 法第三十条第一項の規定による許可を受けた工事主又は法第四十条第一項の規定による届出をした工事主若しくは同条第三項の規定による届出をした者は、工事を中止し、若しくは再開し、又は廃止しようとするときは、工事の中止・再開・廃止届出書を知事に提出しなければならない。
(特定盛土等又は土石の堆積に関する工事の定期の報告)
第十三条 法第三十八条第一項の規定による特定盛土等に関する工事に係る報告は、宅地造成又は特定盛土等に関する工事の定期報告書を知事に提出して行わなければならない。
2 法第三十八条第一項の規定による土石の堆積に関する工事に係る報告は、土石の堆積に関する工事の定期報告書を知事に提出して行わなければならない。
(身分証明書)
第十四条 法第七条第一項(法第二十四条第二項及び第四十三条第二項において準用する場合を含む。)及び第二項の証明書は、様式第八号によるものとする。
附則
この規則は、公布の日から施行する。
附則(令和七年規則第六六号)
この規則は、公布の日から施行する。





(令7規則66・一部改正)

(令7規則66・一部改正)


